Für dieKlemmring mit Bolzenbefestigung, können Sie Materialien basierend auf Ihren Anforderungen auswählen. Kohlenstoffstahl (wie SAE 1070/1095) wird verwendet, wenn Sie ein starkes Material für harte Arbeiten benötigen. Edelstahl (AISI 304/316) eignet sich gut für Orte, an denen es zu Rost oder Korrosion kommen kann. Titanlegierungen eignen sich gut für die Luft- und Raumfahrt, wo sie leicht, aber stark sein müssen. Es gibt auch Spezialmaterialien wie Inconel® für Situationen mit extremen Temperaturen, entweder sehr heiß oder sehr kalt.
Sie testen jedes Material sorgfältig, um sicherzustellen, dass es standhält. Dabei prüfen sie, wie weit es sich dehnen lässt, ohne zu brechen (bis zu 1500 MPa), und wie viel Verschleiß es im Laufe der Zeit aushält. Aufgrund der Vielfalt der Materialien kann dieser Haltering in vielen verschiedenen Umgebungen eingesetzt werden, von extrem kalten Orten bis hin zu Fabriken mit hoher Hitze.
Sich um die kümmernKlemmring mit Bolzenbefestigungbedeutet, regelmäßig den festen Sitz der Schrauben, den Oberflächenverschleiß oder den Rost zu überprüfen. Ziehen Sie die Schrauben während der Wartung mit dem vom Hersteller empfohlenen Drehmoment an (normalerweise 20–50 Nm). Wischen Sie Rückstände mit sanften Reinigungsmitteln ab und tragen Sie etwas Anti-Seize-Fett auf die Gewinde auf, um die spätere Demontage zu erleichtern. Wenn Sie Risse sehen oder der Ring verformt ist, tauschen Sie ihn aus. Bewahren Sie die Ringe vor dem Einbau an einem trockenen Ort mit kontrollierter Temperatur auf, damit sie nicht beschädigt werden. Wenn Sie diese Routine einhalten, können Sie besser arbeiten und bis zu 30 % länger durchhalten.

F: Wie bestimme ich die richtige Größe einesKlemmring mit Bolzenbefestigungfür meinen Wellendurchmesser?
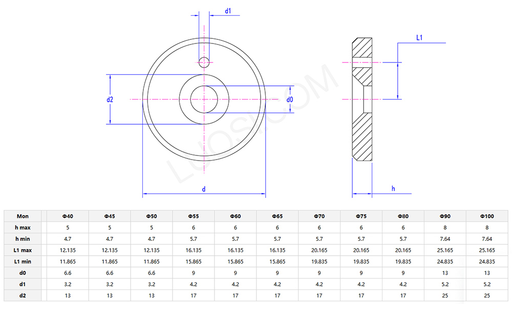
A: Das Richtige auswählenKlemmring mit Bolzenbefestigunghängt von der Dicke (Außendurchmesser) und dem Gewindetyp Ihrer Welle ab. Messen Sie zunächst die Dicke Ihres Schafts und vergleichen Sie diese mit der Größentabelle des Herstellers. Wichtige Dinge, die Sie beachten sollten: Die Innengröße des Kragens muss mit dem Gewinde des Schafts, der Schraubengröße und der Größe des Kragens übereinstimmen. Wenn Ihr Schaft kein Gewinde hat, müssen Sie zuerst Gewinde hinzufügen. Überprüfen Sie immer noch einmal, ob es sich bei den Gewinden um metrische oder zöllige Gewinde handelt – eine Verwechslung verursacht Kopfschmerzen. Für Schäfte mit ungewöhnlicher Größe gibt es kundenspezifische Manschetten, die jedoch zusätzliche Zeit und Geld kosten.
Unsere verschraubten Sicherungsringe bestehen hauptsächlich aus Kohlenstoffstahl. Wir wählen dieses Material, weil es eine gute Zähigkeit und Verschleißfestigkeit aufweist und die grundlegenden Nutzungsanforderungen des Produkts erfüllen kann.
Bevor die Produkte das Werk verlassen, beschichten wir ihre Oberflächen mit einer Rostschutzschicht. Diese Behandlung verhindert, dass die Halsbänder rosten, wenn sie in feuchten Umgebungen verwendet oder über einen längeren Zeitraum gelagert werden.
Für Kunden, die eine bessere Korrosionsbeständigkeit benötigen, bieten wir auch optionale Materialien wie Edelstahl an. Die Materialstärke des Produkts ist auf Standardlastanforderungen ausgelegt, sodass es sich bei normalem Gebrauch nicht verformt oder bricht.
Der Bolzenteil besteht aus dem gleichen Material wie der Kragen, sodass das gesamte Produkt eine gleichbleibende Leistung und Stabilität aufweist.
Die Versandkosten für unsere Spannringe mit Bolzenbefestigung hängen davon ab, wohin Sie sie senden, welche Versandart Sie wählen und wie viele Sie bestellen.
Wenn Sie sich für die Standardlogistik entscheiden, sind die Kosten geringer, aber die Lieferung dauert etwas länger – normalerweise 3 bis 7 Werktage. Bei Eilbestellungen können Sie die Expresszustellung wählen, die jedoch mehr kostet. Der genaue Aufpreis hängt davon ab, wie weit die Sendung gehen muss.
Wenn Ihre Bestellung eine bestimmte Menge erreicht, übernehmen wir die Versandkosten für Sie. Jedes Produkt ist klein und leicht, sodass selbst bei Kleinserienbestellungen keine übermäßig hohen Versandkosten anfallen.
Bevor wir etwas versenden, verpacken wir die Halsbänder ordnungsgemäß, um Transportschäden zu vermeiden. Und diese Verpackungskosten sind bereits in den Versandkosten enthalten – Sie müssen dafür nicht extra bezahlen.
Wenn Sie die genauen Versandkosten erfahren möchten, fragen Sie einfach unseren Kundenservice. Sie berechnen es auf der Grundlage Ihrer spezifischen Bestelldaten.
F: Wie hoch sind die Mindestbestellmenge und die Lieferzeit für Ihren Spannring mit Bolzenbefestigung, und bieten Sie Rabatte bei Großbestellungen an?
A: Die Mindestbestellmenge (MOQ) für Standard-Verriegelungsringe mit Bolzenbefestigung beträgt 300 Stück, mit einer Lieferzeit von 7–10 Werktagen für reguläre Bestellungen. Bei Großbestellungen über 5000 Stück bieten wir gestaffelte Rabatte (3 %–10 % Rabatt) zur Reduzierung Ihrer Beschaffungskosten an. Maßgeschneiderte Spannringe mit Bolzenbefestigung haben eine Mindestbestellmenge von 500 Stück und eine Lieferzeit von 12–18 Werktagen, einschließlich Mustervalidierung und Produktionsplanung.