Heim > Produkte > Nuss > Sechskantmutter > Sechskantkragen Nuss mit Höhe von 1,5d
        Sechskantkragen Nuss mit Höhe von 1,5d
        • Sechskantkragen Nuss mit Höhe von 1,5dSechskantkragen Nuss mit Höhe von 1,5d
        • Sechskantkragen Nuss mit Höhe von 1,5dSechskantkragen Nuss mit Höhe von 1,5d

        Sechskantkragen Nuss mit Höhe von 1,5d

        Xiaoguo® bietet eine maßgeschneiderte Sechskantschreckenmutter mit Höhe von 1,5D für einzigartige Gewindespezifikationen oder Kragendicke. Collar verhindert eine Lockerung, 1,5D -Höhe sorgt für eine ordnungsgemäße Bolzenbindung, spart Zeit und Teil.
        Modell:DIN 6331-1991

        Anfrage absenden

        Produktbeschreibung

        1,5D Höhe derSechskantkragen Nuss mit Höhe von 1,5dÜbereinstimmung mit den Industriestandards, Kragen reduziert den Verschleiß. Testen Sie risikofrei vor Massenbestellungen. Kein Rost, kein Schlupf, nur zuverlässige Befestigung.

        Hexagon Collar Nut With Height 1.5d

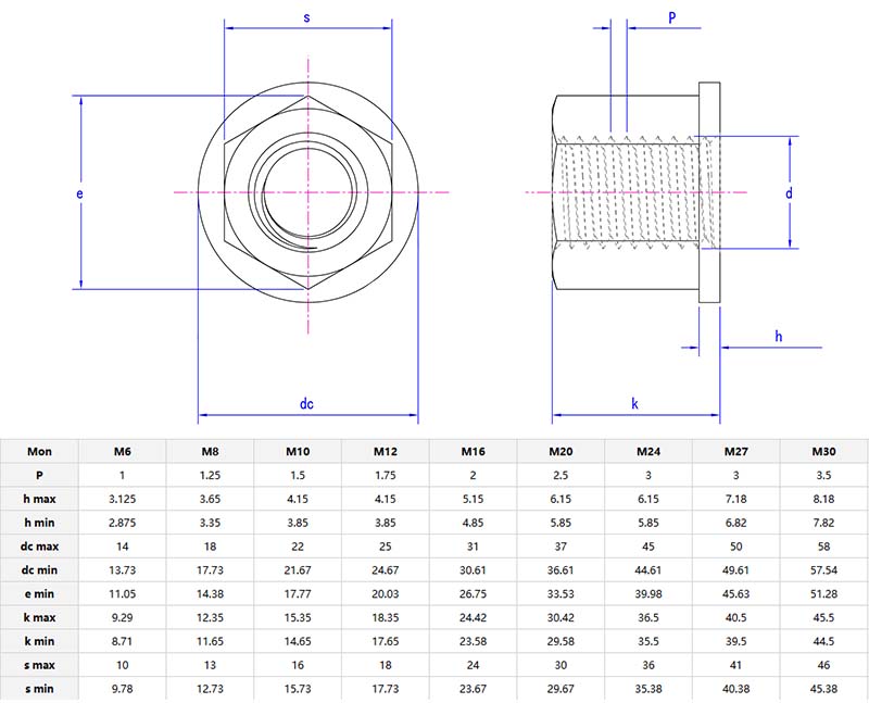
        Produktdetails und Parameter

        Wenn Sie für zuverlässige Markt auf dem Markt sindSechskantkragen Nuss mit Höhe von 1,5d, schauen Sie sich die Sammlung von Xiaoguo® an. Diese Nüsse werden in verschiedenen Branchen verwendet. Egal, ob Sie in großen Mengen bestellen und verkaufen möchten oder nur ein paar Nüsse für Ihren eigenen Gebrauch benötigen, Xiaoguo® hat alles, was Sie brauchen. Unsere Nüsse sind langlebig und einfach zu bedienen. Wir bieten wettbewerbsfähige Preise und schnelle Versand an, damit Sie Zeit und Geld sparen können.

        Sechskantkragen Nuss mit Höhe von 1,5dKönnte einfach aussehen, aber die zusätzliche Höhe macht einen Unterschied. Es wirkt wie eine eingebaute Waschmaschine und reduziert das Streifen in weichen Materialien. Größen wie 3/8 "x 13unc oder M8 x 1 mm eignen sich hervorragend für Elektronikgehäuse oder kleine mechanische Teile. Der höhere Kragen sorgen auch dafür, dass Nüsse nicht in Oberflächen sinken und ein Flush -Finish hinterlassen.

        Sechskantkragen Nuss mit Höhe von 1,5dist den Bolzen in einer schmalen Position zu halten. Die zusätzliche Höhe (das 1,5 -fache des Durchmessers des Fadens) erhöht die Stabilität. Sie reichen von M6 bis M24 (Metrik) oder 1/4 Zoll bis 1 Zoll (imperial) und bestehen normalerweise aus Kohlenstoffstahl, oder Edelstahl kann bestellt werden, wenn Sie verhindern möchten, dass das Produkt rostet. Diese Schleife kann den Job unabhängig machen. Es wird verwendet, um Klammern zu reparieren, kleine Maschinen zusammenzustellen und sogar DIY -Möbel.

        Hexagon Collar Nut With Height 1.5d parameter


        Fehlerbehebung und Langzeitpflege

        Müssen Ihre behaltenSechskantkragen Nuss mit Höhe von 1,5dreibungslos laufen? Hier sind einige Profi -Tipps:

        Lose Nüsse: Wenn sich eine Nuss zu lösen beginnt, werden Sie sanft anziehen. Wenn es weiter rutscht, prüfen Sie auf Gewindeschäden oder wenn der Bolzen zu kurz ist. Vermeiden Sie es, einen Hammer zu verwenden, um ihn einzumummen - dies kann den Kragen knacken.

        Korrosionskontrolle: Wenn Sie Rost sehen, verwenden Sie eine Drahtpinsel, um die Gewinde zu reinigen, und beschichten Sie dann mit Rost -Inhibitor. Ersetzen Sie bei schwerem Rost die Mutter, anstatt strukturelle Schwäche zu riskieren. Salzwasserumgebungen erfordern zusätzliche häufige Inspektionen.

        Wann zu ersetzen: Tauschen Sie Nüsse aus, wenn Sie eines dieser Probleme sehen: Kragenrisse, Gewinde, die um 20%abgenutzt sind oder wenn die Mutter nicht vollständig festgezogen werden kann. Warten Sie nicht, bis ein Fehler auftritt!

        DIY -Sicherheit: Tragen Sie bei der Arbeit mit diesen Nüssen Augenschutz und Handschuhe. Verwenden Sie Klemmen, um lose Teile zu sichern. Fliegende Schrauben können zu schweren Verletzungen führen.


        Hot-Tags: Sechseck -Kragenmutter mit Höhe 1,5d, China, Hersteller, Lieferant, Fabrik
        Verwandte Kategorie
        Anfrage absenden
        Bitte zögern Sie nicht, Ihre Anfrage im untenstehenden Formular zu stellen. Wir werden Ihnen innerhalb von 24 Stunden antworten.
        X
        Wir verwenden Cookies, um Ihnen ein besseres Surferlebnis zu bieten, den Website-Verkehr zu analysieren und Inhalte zu personalisieren. Durch die Nutzung dieser Website stimmen Sie der Verwendung von Cookies zu. Datenschutzrichtlinie
        Ablehnen Akzeptieren