Heim > Produkte > Schweißnüsse > Schweißschraube > Unten vorstehende Schweißschrauben
      Unten vorstehende Schweißschrauben
      • Unten vorstehende SchweißschraubenUnten vorstehende Schweißschrauben
      • Unten vorstehende SchweißschraubenUnten vorstehende Schweißschrauben
      • Unten vorstehende SchweißschraubenUnten vorstehende Schweißschrauben

      Unten vorstehende Schweißschrauben

      Bodenbuckelschweißschrauben können fest auf Metalloberflächen aufgeschweißt werden. Es verfügt über Gewinde an der Oberseite und kann zum Verbinden von Teilen verwendet werden. Sie eignen sich für schwere Maschinen, Stahlkonstruktionen oder Industrieanlagen, die eine feste und dauerhafte Befestigung erfordern. Xiaoguo® Company bietet praktische Optionen.
      Modell:QC/T 598-1999

      Anfrage absenden

      Produktbeschreibung

      Der Kopf von Bodenbuckelschweißschrauben ist kreisförmig und weist kleine Schweißpunkte auf. Die Schraube hat eine zylindrische Form und auf ihrer Oberfläche sind regelmäßige und feine Gewinde eingraviert. Sie stehen in verschiedenen Größen zur Auswahl.

      Anwendungen

      Buckelschweißschrauben werden in der Gebäudedekoration verwendet. Im Innenausbau werden diese Schrauben zur Befestigung von Türen und Fenstern, Dekorplatten, Deckenbalken und anderen Bauteilen verwendet; In einigen kleinen Verbindungsteilen von Stahlkonstruktionsgebäuden können sie auch zur Verbindung verwendet werden. Sie sind sehr praktisch.

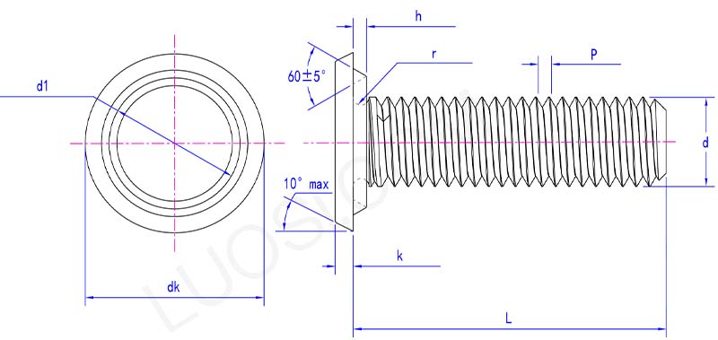
      bottom projection weld screws parameter

      Mo
      M4 M5 M6 M8 M10 M12
      P
      0.7 0.8 1 1.25 1.5 1.75
      dk max
      11.5 12.5 14.5 19 21 24
      dk min
      11.23 12.23 14.23 18.67 20.67 23.67
      k max
      2 2.5 2.5 3.5 4 5
      k min
      1.75 2.25 2.25 3.25 3.75 4.75
      r min
      0.2 0.2 0.3 0.3 0.4 0.4
      d1 max
      8.75 9.75 10.75 14.25 16.25 18.75
      d1 Min
      8.5 9.5 10.5 14 16 18.5
      h max
      1.25 1.25 1.25 1.45 1.45 1.65
      Std. min
      0.9 0.9 0.9 1.1 1.1 1.3

      Auch im Maschinenbau werden die Bodenbuckelschweißschrauben eingesetzt. Sie gelten für die allgemeine Montage mechanischer Geräte, beispielsweise für die Verbindung von Komponenten in kleinen Maschinen und Instrumenten, und stellen sicher, dass jedes Teil der Maschine während des Betriebs in einer festen Position bleibt und stabil arbeitet.

      Diese Buckelschweißschraube wird bei der Montage elektronischer Geräte verwendet. Für die Verbindungen einiger Gehäuse elektronischer Geräte und interner Halterungen, die hohe Anforderungen an das Aussehen stellen und eine bestimmte Anzugskraft erfordern, ist dieser Schraubentyp gut geeignet. Es gewährleistet eine stabile Verbindung, ohne das Erscheinungsbild des Geräts zu beeinträchtigen.

      Produktmerkmal

      Die unteren Buckelschweißschrauben haben nach der Installation eine relativ glatte Oberfläche, wodurch es weniger wahrscheinlich ist, dass Personen oder andere Gegenstände zerkratzt werden. Die Schweißpunkte am Kopf können zum Vorschweißen genutzt werdender Bolzenan ein bestimmtes Bauteil anpasst und so die spätere Montage erleichtert. Die Gewindegenauigkeit ist hoch und ermöglicht einen festen Eingriff mit der passenden Mutter, wodurch eine zuverlässige Befestigungswirkung erzielt wird und eine gute Verbindungsleistung auch nach mehrmaliger Demontage und erneuter Montage erhalten bleibt.


      Hot-Tags: Unten vorstehende Schweißschrauben, China, Hersteller, Lieferant, Fabrik
      Verwandte Kategorie
      Anfrage absenden
      Bitte zögern Sie nicht, Ihre Anfrage im untenstehenden Formular zu stellen. Wir werden Ihnen innerhalb von 24 Stunden antworten.
      X
      We use cookies to offer you a better browsing experience, analyze site traffic and personalize content. By using this site, you agree to our use of cookies. Privacy Policy
      Reject Accept