Heim > Produkte > Bolzen > Rundkopfschraube > Zeitsparender Planschweißbolzen
        Zeitsparender Planschweißbolzen
        • Zeitsparender PlanschweißbolzenZeitsparender Planschweißbolzen
        • Zeitsparender PlanschweißbolzenZeitsparender Planschweißbolzen
        • Zeitsparender PlanschweißbolzenZeitsparender Planschweißbolzen
        • Zeitsparender PlanschweißbolzenZeitsparender Planschweißbolzen
        • Zeitsparender PlanschweißbolzenZeitsparender Planschweißbolzen

        Zeitsparender Planschweißbolzen

        Im Vergleich zu Standardbolzen bietet der zeitsparende Planschweißbolzen deutlich schnellere Schweißzeiten und minimiert den Wärmeverzug im Werkstück. Effiziente Logistik, enge Zusammenarbeit mit Lieferanten und zuverlässige pünktliche Lieferung zeichnen den Xiaoguo®-Service aus.
        Modell:Q 199B-1999

        Anfrage absenden

        Produktbeschreibung

        Ein großer Vorteil des zeitsparenden Planschweißbolzens besteht darin, dass er auf schnellen, automatisierten Montagelinien sehr gut funktioniert. Das Schweißen jedes einzelnen Vorgangs nimmt fast keine Zeit in Anspruch – normalerweise nur den Bruchteil einer Sekunde.

        Diese außergewöhnliche Geschwindigkeit macht es ideal für die Fertigung in großem Maßstab, insbesondere in Automobilfabriken. Es übertrifft herkömmliche Verbindungselemente, die manuelle Ausrichtung und Schritte erfordern, sowie langsameres Schweißen, das Vorwärmen und Einstellungen erfordert. In der Automobilproduktion, wo bei der täglichen Montage von Tausenden von Fahrzeugen jede Sekunde zählt, reduziert diese Geschwindigkeit Ausfallzeiten, beschleunigt die Zyklen und steigert den Output ohne Qualitätseinbußen – der Schlüssel zur Kosteneffizienz.

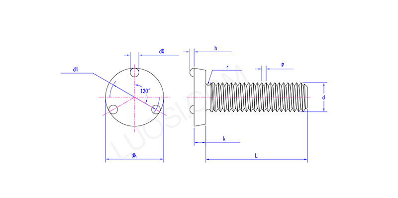
        Mo M4 M5 M6 M8 M10 M12
        P 0.7 0.8 1 1.25 1.5 1.75
        dk max 11.5 12.5 14.5 19 21 24
        dk min 11.23 12.23 14.23 18.67 20.67 23.67
        k max 2 2.5 2.5 3.5 4 5
        k min 1.75 2.25 2.25 3.25 3.75 4.75
        r min 0.2 0.2 0.3 0.3 0.4 0.4
        d1 max 8.75 9.75 10.75 14.25 16.25 18.75
        d1 Min 8.5 9.5 10.5 14 16 18.5
        h max 1.25 1.25 1.25 1.45 1.45 1.65
        Std. min 0.9 0.9 0.9 1.1 1.1 1.1
        d0 max 2.6 2.6 2.6 3.1 3.1 3.6
        d0 Min 2.4 2.4 2.4 2.9 2.9 3.4

        Produktdetails


        Zeitsparende Planschweißbolzen sorgen für wirklich starke und zuverlässige Verbindungen. Die Schweißung verbindet die Metalle auf molekularer Ebene, was besser ist als nur die Verwendung mechanischer Verbindungselemente.

        Wenn die Vorsprünge der Schraube und das Grundmetall miteinander verschmelzen, bilden sie einen Schweißklumpen. Dieses Nugget kann einer großen Zug- und Schiebekraft standhalten – wichtig für Teile, die sicher sein und während der gesamten Lebensdauer des Produkts ständigen Bewegungen standhalten müssen.

        Materialien

        Die meisten zeitsparenden Planschweißbolzen werden aus Stahl mit niedrigem bis mittlerem Kohlenstoffgehalt hergestellt – wie C1008, C1010, C1018. Es lässt sich gut schweißen und kostet nicht viel, weshalb es häufig verwendet wird.

        Wenn Sie es in rauen Umgebungen verwenden müssen, können Sie unsere Produkte ausprobieren. Sehr verbreitet ist Edelstahl, beispielsweise A2 (eigentlich AISI 304) oder A4 (AISI 316). Doch egal für welchen Edelstahl Sie sich entscheiden: Wenn Sie eine stabile und gleichmäßige Verbindung wünschen, müssen Sie unbedingt auf die Methode „Buckelschweißen“ zurückgreifen.


        Hot-Tags: Zeitsparende Stirnprojektionsschweißschraube, China, Hersteller, Lieferant, Fabrik
        Verwandte Kategorie
        Anfrage absenden
        Bitte zögern Sie nicht, Ihre Anfrage im untenstehenden Formular zu stellen. Wir werden Ihnen innerhalb von 24 Stunden antworten.
        X
        Wir verwenden Cookies, um Ihnen ein besseres Surferlebnis zu bieten, den Website-Verkehr zu analysieren und Inhalte zu personalisieren. Durch die Nutzung dieser Website stimmen Sie der Verwendung von Cookies zu. Datenschutzrichtlinie
        Ablehnen Akzeptieren