Wenn Sie sich also Lift Assured Ringschrauben ansehen, werden Sie feststellen, dass sie in einigen gängigen Materialien erhältlich sind, und die Auswahl des richtigen hängt wirklich nur von Ihrer spezifischen Aufgabe ab. Der am häufigsten vorkommende Typ ist Kohlenstoffstahl. Es ist die erste Wahl für alltägliche Hebeaufgaben, bei denen keine besonderen Bedingungen gelten. Um Rost vorzubeugen, sind diese Schrauben aus Kohlenstoffstahl meist verzinkt, was ihnen ein silbriges, leicht glänzendes Aussehen verleiht.
Dann gibt es noch Edelstahl. Dies empfiehlt sich, wenn Sie an Orten arbeiten, an denen es nass oder korrosiv werden kann, beispielsweise in der Nähe des Ozeans oder in Chemiefabriken. Die gebräuchlichsten Qualitäten sind 304 und 316, wobei 316 für wirklich raue Bedingungen etwas robuster ist. Wenn Sie hingegen wirklich schwere Lasten heben, müssen Sie auf eine Ringschraube aus geschmiedetem legiertem Stahl umsteigen. Dieses Material wurde speziell für viel höhere Festigkeitsanforderungen entwickelt und ist daher viel härter als Ihr Standard-Kohlenstoffstahl.
Wenn Sie Lift Assured Ringschrauben erwerben, werden Sie feststellen, dass diese häufig unterschiedliche Oberflächen aufweisen. Dabei geht es nicht nur um das Aussehen; Bei diesen Oberflächenbehandlungen geht es vor allem darum, die Lebensdauer der Schraube zu verlängern und Rost abzuwehren, was für Sicherheit und Haltbarkeit äußerst wichtig ist.

Eine wirklich gängige Methode, die Sie sehen werden, ist das Galvanisieren. Dabei wird eine dünne Schicht aus Zink oder Nickel auf den Stahl aufgetragen. Es bietet einen ordentlichen Grundschutz gegen Korrosion und lässt die Schraube auch etwas heller aussehen. Wenn Sie jedoch etwas Robusteres für eine raue Umgebung benötigen, beispielsweise im Freien auf einer Baustelle oder in einem feuchten Meeresgebiet, sollten Sie nach einer feuerverzinkten Ringschraube Ausschau halten. Durch diesen Prozess entsteht eine viel dickere Beschichtung, die viel robuster ist und im Laufe der Zeit viel mehr Beanspruchung standhält.
Es gibt auch andere Möglichkeiten. Beispielsweise ist Schwarzoxid eine Behandlung, die dem Bolzen ein dunkles, nicht reflektierendes Finish verleiht. Es bietet eine gewisse Rostbeständigkeit, wird aber oft eher wegen seines Aussehens und zur Reduzierung der Lichtblendung gewählt. Und bei Edelstahlschrauben wird oft ein Verfahren namens Passivierung eingesetzt. Das hört sich vielleicht kompliziert an, aber im Grunde handelt es sich um ein chemisches Bad, das dabei hilft, die natürliche Schutzschicht auf dem Edelstahl zu reinigen und zu stärken und so seine Widerstandsfähigkeit gegen Rost zu erhöhen.
Frage: Verfügt Ihre Lift-Assured-Augenschraube über eine Zertifizierung? Ja, wir können Ihnen ein Prüfzertifikat für die Lift-Assured-Augenschraube ausstellen. Es beweist, dass die Augenschraube Standards wie ASME B18.15 erfüllt, und bestätigt, aus welchem Material sie besteht und welche mechanischen Eigenschaften sie hat.
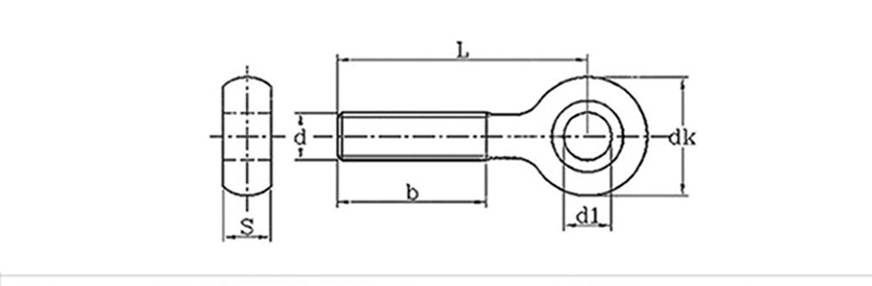
|
mm |
|||
|
Gewindedurchmesser |
d1 |
dk |
s |
|
M6 |
5 |
10.5 |
5.4 |
|
M8 |
6 | 13 | 7 |
|
M10 |
8 | 16 | 8.5 |
|
M12 |
10 | 19 | 10.5 |