Geschmiedete Ringschraubesind starke Befestigungselemente, die zum Heben, Aufrüsten und Verankern verwendet werden. Sie haben an einem Ende eine runde „Augen“-Schlaufe und am anderen einen Gewindeschaft. Damit können Sie Kabel, Seile oder Ketten sicher befestigen. Sie sind für den Transport sowohl beweglicher als auch stationärer Lasten ausgelegt. Sie werden sie häufig im Baugewerbe, in der Schifffahrt und in der Logistik sehen.
Es gibt verschiedene Arten, wie Schulterbolzen, Maschinenbolzen und Schraubenösen. Jeder Typ eignet sich für unterschiedliche Ladungsgrößen und Umgebungen. Ihr Design ist robust und zuverlässig, was sie wichtig für die Sicherheit und den guten Betrieb in industriellen Umgebungen macht.
Geschmiedete RingschraubeSie sind in Gewindegrößen von M6 bis hin zu M48 erhältlich und für Lasten zwischen 50 kg und über 20 Tonnen ausgelegt. Wenn Sie Schultermodelle verwenden, denken Sie daran: Sie müssen sie ganz hineindrehen, um das maximale Gewicht zu erreichen. Scheiß auf die Augen? Diese eignen sich besser für leichtere Arbeiten. Überprüfen Sie immer, ob sie über Zertifizierungen wie DIN, ISO oder ASTM verfügen – so wissen Sie, dass sie echt sind.
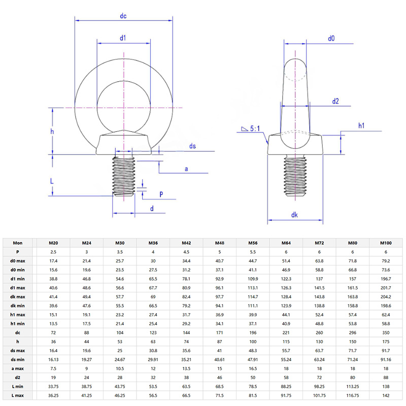
Dinge wie die Größe des Auges, die Schaftlänge und der Gewindeabstand hängen von Ihrer Aufgabe ab. Überprüfen Sie daher die Gewichtstabellen, um Abweichungen zu vermeiden. Brauchen Sie etwas Ausgefallenes für ein besonderes Projekt? Einige Anbieter passen sogar die Größen oder Gewinde für Sie an. Überspringen Sie bei der Bestellung einfach nicht die Details.

F: Wie hoch ist die maximale Tragfähigkeit Ihres Geräts?geschmiedete Ringschraube, und wie wird es bestimmt?
A:Wie viel Gewicht es tragen kann, hängt im Wesentlichen von drei Dingen ab: woraus es besteht, wie dick es ist und wie es gebaut ist. Nehmen Sie zum Beispiel die geschmiedeten Modelle aus Kohlenstoffstahl – sie sind robuster als gestanzte oder gebogene Versionen und können Gewichte von 0,25 bis 11 Tonnen bewältigen. Die Arbeitslastgrenze (WLL) – das ist das maximale sichere Gewicht, mit dem sie umgehen können – wird anhand von Regeln wie ASME B30.26 oder DIN 580 ermittelt. Diese Regeln bauen ein Sicherheitspolster ein, normalerweise ein Verhältnis von 4:1 oder 5:1, sodass sie viel stärker sind, als die Zahl vermuten lässt. Wenn es für 1 Tonne ausgelegt ist, ist es grundsätzlich für 4 oder 5 Tonnen ausgelegt, bevor etwas zur Seite geht.