Ein hochfestes Gesichtsprojektionsschweißschrauben ist eine besondere Art von Befestigungselementen, die sich stark und einfach mit Metallblättern oder -strukturen verbinden. Es hat Projektionen - normalerweise Ringe oder kleine Beulen - auf der Seite, die das Metall berührt, und diese werden zu genauen Größen gemacht.
Wenn Sie es schweißen, konzentriert sich viele elektrische Strom auf diese Projektionen. Das macht das Metall dort sehr heiß, schmilzt und dann bildet es, wenn es abkühlt, eine starke Schweißnaht. Diese Schweißnaht hält die hochfestige Gesichtsprojektionsschweißschraube fest an dem Stück, an dem Sie arbeiten.
Eine Hauptaufgabe von hochfestem Gesichtsprojektionsschweißschrauben besteht darin, einen dauerhaften, fadenbasierten Befestigungspunkt zu erstellen, der Gewicht halten kann. Sie benötigen spezielle Projektionsschweißgeräte, um sie zu schweißen.
Elektroden drücken nach unten und senden Sie viel Strom durch die Projektionen des Bolzens und das Metallstück, mit dem Sie arbeiten. Die Art und Weise, wie der Schweißschraube hergestellt wird, bedeutet, dass nur die Projektionen schmelzen - nichts mehr. Wenn sie sich abkühlen, bilden sie eine starke Metallbindung und das Metall, das es darum herum ist, wird nicht viel gebogen oder verzerrt.
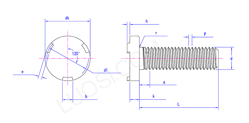
| Mon | M5 | M6 | M8 | M10 |
| P | 0.8 | 1 | 1.25 | 5 |
| DK Max | 12.4 | 14.4 | 16.4 | 20.4 |
| DK min | 11.6 | 13.6 | 15.6 | 19.6 |
| K Max | 2 | 2.2 | 3.2 | 4.2 |
| K min | 1.6 | 1.8 | 3.2 | 4.2 |
| und max | 2.25 | 2.75 | 2.25 | 2.75 |
| E min | 1.75 | 2.25 | 1.75 | 2.25 |
| B Max | 3.3 | 4.3 | 5.3 | 6.3 |
| B min | 2.7 | 3.7 | 4.7 | 5.7 |
| H Max | 0.8 | 0.9 | 1.1 | 1.3 |
| H min | 0.6 | 0.75 | 0.9 | 1.1 |
| D1 Max | 10 | 11.5 | 14 | 17.5 |
| D1 min | 9 | 10.5 | 13 | 16.5 |
| R min | 0.2 | 0.25 | 0.4 | 0.4 |
| R max | 0.6 | 0.7 | 0.9 | 1.2 |
| a max | 3.2 | 4 | 5 | 5 |

Ein hochfestes Gesichtsprojektionsschweißschrauben hat wenig erhöhte Teile - normalerweise Ringe oder kleine Dellen - auf der Seite, die geschweißt wird. Wenn Sie es schweißen, konzentriert sich viel Strom auf diese erhöhten Teile. Sie schmelzen sofort gegen das Grundmetall, während die Elektrode nach unten drückt.
Dies macht starke, enge Schweißnähte, die den Bolzen gut an Ort und Stelle halten. Sie eignen sich hervorragend für Blechjobs.