Heim > Produkte > Schweißnüsse > Geschweißte Mutter > Vierkantmuttern zum Schweißen der Klasse 5 mit Typ 1D
        Vierkantmuttern zum Schweißen der Klasse 5 mit Typ 1D
        • Vierkantmuttern zum Schweißen der Klasse 5 mit Typ 1DVierkantmuttern zum Schweißen der Klasse 5 mit Typ 1D
        • Vierkantmuttern zum Schweißen der Klasse 5 mit Typ 1DVierkantmuttern zum Schweißen der Klasse 5 mit Typ 1D
        • Vierkantmuttern zum Schweißen der Klasse 5 mit Typ 1DVierkantmuttern zum Schweißen der Klasse 5 mit Typ 1D

        Vierkantmuttern zum Schweißen der Klasse 5 mit Typ 1D

        Schweißquadratmuttern der Klasse 5 mit Typ 1D entsprechen der Festigkeitsnorm der 5. Klasse. Sie sind im 1D-Typ ausgeführt und eignen sich zum Schweißen auf Metalloberflächen. Geeignet für Maschinen mittlerer Intensität, Stahlrahmen oder Industrieanlagen. Das Werk Xiaoguo® verfügt über mehr als zehn Jahre Erfahrung in der Herstellung von Verbindungselementen und verfügt über professionelles Personal, das Ihre Anforderungen erfüllt.
        Modell:JIS B1196-2-2001

        Anfrage absenden

        Produktbeschreibung

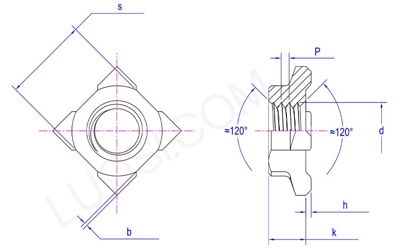
        Schweißquadratmuttern der Klasse 5 mit Typ 1D haben vier flache Seiten. In der Mitte der Mutter befindet sich ein Standardgewindeloch, das für die Verwendung mit passenden Schrauben geeignet ist. Auf der Schweißfläche der Mutter befinden sich mehrere kleine Vorsprünge, die für das Schweißen von entscheidender Bedeutung sind.

        Produktvorteile

        Schweiß-Vierkantmuttern der Klasse 5 vom Typ 1D haben kein Winkellochdesign. Stattdessen ist an der Unterseite ein kleiner und erhöhter Vorsprung vorgesehen. Sie sind speziell für das Widerstandspunktschweißen konzipiert. Die Elektroden drücken nach unten und der Strom fließt durch den erhöhten Bereich. Der erhabene Bereich schmilzt sofort und verschmilzt die Mutter mit dem darunter liegenden Metall.

        Schweiß-Vierkantmuttern der Klasse 5 mit Typ 1D sind einfach und schnell zu schweißen. Richten Sie das Gerät an den kleinen Vorsprüngen an der Mutter aus und erhitzen Sie es leicht. Anschließend kann die Mutter schnell auf die Eisenplatte oder andere Metallwerkstücke aufgeschweißt werden. Im Vergleich zu gewöhnlichen Muttern, die zur Montage verschraubt werden müssen, spart diese Methode erheblich Zeit. Es ist unwahrscheinlich, dass sich die Mutter leicht dreht, und ihre Stabilität ist viel besser als die der Rundmutter.

        Einer der großen Vorteile beim Schweißen von Vierkantmuttern vom Typ 1D mit Klasse 5 ist die Konsistenz des Schweißprozesses. Da die Vorsprünge die Entstehungsposition der Schweißnaht präzise steuern können, kann der Punktschweißautomat in jedem Zyklus zuverlässige Ergebnisse erzielen. Im Vergleich zum manuellen Durchgangslochschweißen ist die Möglichkeit einer unzureichenden Schweißnahtfestigkeit aufgrund einer Fehlausrichtung der Schweißpistole viel geringer.

        Nachdem Sie Vierkantmuttern der Klasse 5 mit Typ 1D verwendet haben, prüfen Sie die Schweißpunkte. An jedem Vorsprung sollte ein fester Schmelzpunkt zu sehen sein. Es sollte so aussehen, als sei es vollständig mit dem Grundmaterial verschmolzen. Wenn die Form des Vorsprungs noch sichtbar ist oder verkohlt/zerkratzt aussieht, müssen möglicherweise die Schweißeinstellungen (Strom, Zeit, Druck) angepasst werden, um eine sichere Verbindung zu erreichen.

        Produktparameter

        Mo
        M4 M5 M6 M8 M10 M12
        P
        0.7 0.8 1 1|1,25 1,25|1,5 1,25|1,75
        s max
        8 9 10 12 14 17
        s min
        7.64 8.64 9.64 11.57 13.57 16.57
        k max
        3.2 4 5 6.5 8 10
        k min
        2.9 3.7 4.7 6.14 7.64 9.57
        h max
        1 1 1 1 1 1.2
        Std. min
        0.8 0.8
        0.8
        0.8
        0.8
        1
        b max
        0.5 0.5 0.5 1 1 1
        b min
        0.3 0.3 0.3 0.5 0.5 0.5

        parameter of Class 5 weld square nuts with type 1D

        Hot-Tags: Vierkantmuttern der Klasse 5 mit Typ 1D, China, Hersteller, Lieferant, Fabrik
        Verwandte Kategorie
        Anfrage absenden
        Bitte zögern Sie nicht, Ihre Anfrage im untenstehenden Formular zu stellen. Wir werden Ihnen innerhalb von 24 Stunden antworten.
        X
        Wir verwenden Cookies, um Ihnen ein besseres Surferlebnis zu bieten, den Website-Verkehr zu analysieren und Inhalte zu personalisieren. Durch die Nutzung dieser Website stimmen Sie der Verwendung von Cookies zu. Datenschutzrichtlinie
        Ablehnen Akzeptieren