Selbstverankerungs -Expansionsschrauben bestehen hauptsächlich aus Schrauben, Expansionsrohre, Muttern und anderen Teilen. Während der Installation wird die Schraube durch das Anziehen der Mutter das Ausdehnungsrohr zum Ausdehnen im Bohrloch fährt und so fest an der Wand oder einer anderen Grundfläche befestigt.
	
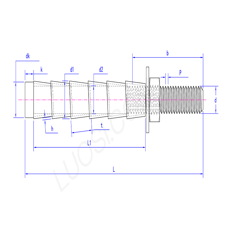
| Mon | M6 | M8 | M10 | M12 | M16 | M20 | M22 | M24 | 
| P | 1 | 1.25 | 1.5 | 1.75 | 2 | 2.5 | 2.5 | 3 | 
| DK Max | 10 | 12 | 14 | 16 | 20 | 24 | 26 | 28 | 
| DK min | 9 | 11 | 13 | 15 | 19 | 23 | 25 | 27 | 
| L1 | 45 | 60 | 70 | 75 | 100 | 125 | 150 | 180 | 
| k | 5 | 5 | 5 | 5 | 5 | 5 | 5 | 5 | 
| D1 | 9.8 | 11.8 | 13.8 | 15.8 | 19.8 | 23.8 | 25.8 | 27.8 | 
| D2 | 6.2 | 8.2 | 10.2 | 12.2 | 16.2 | 20.2 | 22.2 | 24.2 | 
| h | 0.6 | 0.8 | 0.8 | 0.8 | 0.9 | 1 | 1 | 1.2 | 
| t | 10 | 12 | 12 | 14 | 14 | 16 | 16 | 20 | 
| L | 65 | 85 | 100 | 110 | 150 | 200 | 250 | 300 | 
	
Selbstanwachungserweiterungsschraube kann die Objekte in Beton- oder Mauerwerksstrukturen fest verankern. Sie müssen nur Löcher bohren, Schrauben einfügen und dann die Muttern festziehen. Wenn sich der Bolzen selbst innerhalb des Lochs ausdehnt. Es wird normalerweise gebildet, indem der Kegel in die Hülse gezogen wird, wodurch ein festes mechanisches Schloss erstellt und fest an der Wand repariert wird.
	
Die Installation von selbstverankerten Expansionsschrauben ist sehr einfach: Bohren Sie Löcher der richtigen Größe, entfernen Sie den Staub, klopfen Sie die Schrauben mit einem Hammer ein und ziehen Sie die Muttern mit einem Schraubenschlüssel fest. Während des Verschiebungsprozesses ist der Expansionsmechanismus gezwungen, das Grundmaterial zu öffnen und fest zu erfassen. Dies ist ein direkter "Installations- und Straff" -Prozess, der eine feste Fixierung durchführen kann.
	
Führen Sie beispielsweise die Halterung an der Betonwand, fixieren Sie die mechanische Basis auf dem Boden, reparieren Sie die Handläufe oder fixieren Sie die Säule mit dem Fundament. Sie eignen sich sehr für mittelgroße bis schwere Operationen in festen Beton, Ziegeln oder Blöcken, wo Sie nach dem Bau des Fundaments einen starken und abnehmbaren Ankerpunkt hinzufügen müssen.
	
Selbstverankerungs -Expansionsschrauben haben eine starke Anpassungsfähigkeit. Es hat eine starke Anpassungsfähigkeit an verschiedene Basisebenen. Egal, ob es sich um eine Betonwand, eine Ziegelmauer oder eine Holzstruktur handelt, solange die entsprechenden Löcher gebohrt werden, kann sie eine sehr gute Verankerungsrolle spielen. Darüber hinaus kommt es in verschiedenen Spezifikationen. Gemäß den tatsächlichen Installationsanforderungen und dem Zustand der Basisoberfläche kann die entsprechende Größe ausgewählt werden, um verschiedene Installationsszenarien zu erfüllen.
	