Heim > Produkte > Stift > Runde Stecknadel > Hochfeste Gabelbolzen
        Hochfeste Gabelbolzen
        • Hochfeste GabelbolzenHochfeste Gabelbolzen
        • Hochfeste GabelbolzenHochfeste Gabelbolzen

        Hochfeste Gabelbolzen

        Dieser hochfeste Gabelkopfbolzen kann mehrmals zerlegt und wieder eingebaut werden, was ihn für die Wiederverwendung vorteilhaft macht. Sie können hochfeste Gabelbolzen sicher bei Xiaoguo bestellen und erhalten ein hervorragendes Erlebnis mit garantierter Qualität.

        Anfrage absenden

        Produktbeschreibung

        Bei Bedarf können wir für diese hochfesten Gabelkopfbolzen ein Prüfzertifikat ausstellen. Das Zertifikat listet die wichtigsten Testergebnisse auf: woraus das Material besteht, seine mechanischen Eigenschaften wie Festigkeit und Härte und bestätigt, dass alle kritischen Abmessungen korrekt sind. Außerdem wird angegeben, welche Standards, wie z. B. ISO 2341, das Produkt erfüllt.

        Jedes Zertifikat gilt für eine bestimmte Produktionscharge und verfügt über eine eindeutige Nummer, sodass es zurückverfolgt werden kann. Es handelt sich um eine Aufzeichnung, aus der hervorgeht, dass die Stifte vom Material bis zum fertigen Produkt die Standardprüfungen bestanden haben. Der Erhalt eines Zertifikats für Ihre hochfesten Gabelbolzen ist eine Option, die für Arbeiten nützlich ist, die formellen Papierkram erfordern, sei es für den täglichen industriellen Einsatz oder für anspruchsvollere Anwendungen.

        High Tensile Clevis Pins

        Produktverwendungen

        Diese Art von Stift wird üblicherweise zum Verbinden von Komponenten in Maschinen verwendet, die eine Drehung oder Schwenkung erfordern. In verschiedenen Industrieanlagen wird es häufig zum Verbinden von Halterungen, Stangen oder Hebeln verwendet. In Automobilen und Lastkraftwagen wird es für Aufhängungskomponenten, Bremsgestänge, Lenkvorrichtungen usw. verwendet.

        Auch landwirtschaftliche Geräte wie Traktorpflüge und Erntemaschinen nutzen es. In der Luft- und Raumfahrt könnte es für bestimmte bewegliche Teile in Flugzeugsystemen verwendet werden. Man findet es auch auf Booten, in der Takelage und einigen Motorteilen, weil es dort gut verriegelt bleibt.

        Grundsätzlich sind hochfeste Gabelbolzen überall dort praktisch, wo Sie eine solide Verbindung benötigen, die Sie möglicherweise später auch wieder auseinandernehmen müssen und die Erschütterungen und regelmäßigem Gebrauch standhält.

        Frage-und-Antwort-Runde

        F: Was ist die Standardverpackung für Ihre hochfesten Splinte?

        Antwort: Zum Verpacken hochfester Splinte verwenden wir normalerweise stabile Kartons. Die Verpackungsmethode ist im Allgemeinen nach Größe und Menge unterteilt (z. B. 100 Stück pro Karton).

        Bei Großbestellungen verpacken wir hochfeste Splinte im Hauptkarton und legen sie auf eine Palette, um einen sicheren Transport und eine einfache Handhabung zu gewährleisten.

        High Tensile Clevis Pins


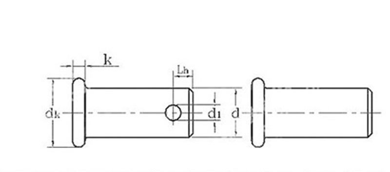
        Einheit: mm
        d max 3 4 5 6 8 10 12 14 16 18 20
        min 2.94 3.925 4.925 5.925 7.91 9.91 11.89 13.89 15.89 17.89 19.87
        dk max 5 6 8 10 12 14 16 18 20 22 25
        min 4.7 5.7 7.64 9.64 11.57 13.57 15.57 17.57 19.48 21.48 24.48
        k nominaL 1.5 2 2.5 3 3.5 4
        max 1.625 2.125 2.625 3.125 3.65 4.15
        min 1.375 1.875 2.375 2.875 3.35 3.85
        d1 min 1.6 2 3.2 4 5 5
        max 1.74 2.14 3.38 4.18 5.18 5.18
        Lh min 1.6 2.2 2.9 3.2 3.5 4.5 5.5 6 6 7 8




        Hot-Tags: Hochfeste Gabelbolzen, China, Hersteller, Lieferant, Fabrik
        Verwandte Kategorie
        Anfrage absenden
        Bitte zögern Sie nicht, Ihre Anfrage im untenstehenden Formular zu stellen. Wir werden Ihnen innerhalb von 24 Stunden antworten.
        X
        Wir verwenden Cookies, um Ihnen ein besseres Surferlebnis zu bieten, den Website-Verkehr zu analysieren und Inhalte zu personalisieren. Durch die Nutzung dieser Website stimmen Sie der Verwendung von Cookies zu. Datenschutzrichtlinie
        Ablehnen Akzeptieren