Heim > Produkte > Bolzen > Sechskantschraube > Sechskantschraube mit tailliertem Schaft
        Sechskantschraube mit tailliertem Schaft
        • Sechskantschraube mit tailliertem SchaftSechskantschraube mit tailliertem Schaft
        • Sechskantschraube mit tailliertem SchaftSechskantschraube mit tailliertem Schaft
        • Sechskantschraube mit tailliertem SchaftSechskantschraube mit tailliertem Schaft

        Sechskantschraube mit tailliertem Schaft

        Sechskantschrauben mit tailliertem Schaft sind Schrauben mit einem Abschnitt mit kleinerem Durchmesser am Schaft. Dieser Abschnitt hat eine relativ glatte Oberfläche und kein Gewinde. Xiaoguo®-Schrauben verfügen über einen ausreichenden Lagerbestand und werden streng nach der Norm GB/T 838-1988 hergestellt. Wir können kostenlose Muster auf Lager bereitstellen.
        Modell:GB/T 838-1988

        Anfrage absenden

        Produktbeschreibung

        Sechskantschraube mit tailliertem Schaftist ein relativ schmaler Abschnitt („Taille“) zwischen dem Finger und dem Gewindeteil. Es reduziert Gewicht und Material, während der Sechskantkopf erhalten bleibt, sodass sich die Schraube leicht mit einem Schraubenschlüssel oder Steckschlüssel festziehen lässt.

        Die Sechskantschrauben mit tailliertem Schaft haben einen Teil ohne Gewinde. Bei diesem Teil handelt es sich um einen Zwischenübergangsteil, der die Ermüdungsfestigkeit der Schraube erhöhen kann. Es besteht hauptsächlich aus Kohlenstoffstahl, Edelstahl und anderen Materialien. Edelstahl ist korrosionsbeständig und rostbeständig, während Kohlenstoffstahl kostengünstig und hochfest ist. Die Oberflächenbeschichtung kann verzinkt, geschwärzt, vernickelt usw. sein.

        Hexagon head screw with waisted shank

        Anwendungen und Parameter

        MechanikereinsatzSechskantschraube mit tailliertem Schaftin Fahrzeugaufhängungen zur Absorption von Straßenstößen. Fabrikmaschinen verlassen sich auf sie, um verstellbare Arme oder Hebel herzustellen. Enthusiasten bauen sie in 3D-Drucker oder Roboter ein. Sogar Outdoor-Geräte wie Faltzelte oder Fahrradständer nutzen sie, um Steifigkeit und Mobilität in Einklang zu bringen.

        Mit Sechskantschrauben mit tailliertem Schaft können Sie unebene Oberflächen problemlos ausrichten und reparieren. Seine Taille weist eine gewisse Krümmung auf, sodass Sie die Teile nicht mit Gewalt vollständig ausrichten müssen. Sie werden häufig in landwirtschaftlichen Geräten oder alten Maschinen eingesetzt.

        Sechskantschrauben mit tailliertem Schaft können für die Installation von HVAC- oder Sanitärinstallationen verwendet werden. Sein Hüftgriff kann die Reibung von Komponenten wie mechanischen Gelenken oder verstellbaren Halterungen verringern. Sie werden auch im Automobilbau, in der Luft- und Raumfahrt oder im Baugewerbe eingesetzt.

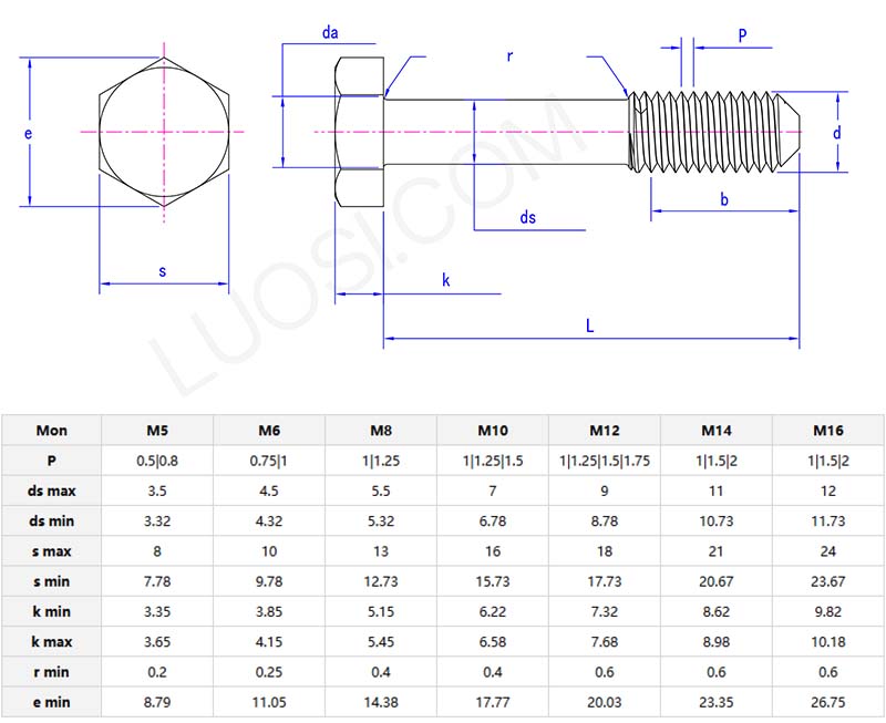
        Hexagon head screw with waisted shank parameter

        Vorsichtsmaßnahmen

        Sechskantschraube mit tailliertem Schaftist kein Allzweckbefestiger. Benutzen Sie sie daher bitte nicht unter reiner Zugkraft. Verwenden Sie sie nicht als Ersatz für Vollgewindeschrauben in starren Verbindungen, da dies die Stabilität der Taille verringert. Verwenden Sie außerdem keine weichen Materialien wie Holz oder Kunststoff. Der Griff eignet sich am besten für die Metall-auf-Metall-Montage.

        Hot-Tags: Sechskantschraube mit tailliertem Schaft, China, Hersteller, Lieferant, Fabrik
        Verwandte Kategorie
        Anfrage absenden
        Bitte zögern Sie nicht, Ihre Anfrage im untenstehenden Formular zu stellen. Wir werden Ihnen innerhalb von 24 Stunden antworten.
        X
        Wir verwenden Cookies, um Ihnen ein besseres Surferlebnis zu bieten, den Website-Verkehr zu analysieren und Inhalte zu personalisieren. Durch die Nutzung dieser Website stimmen Sie der Verwendung von Cookies zu. Datenschutzrichtlinie
        Ablehnen Akzeptieren