Carbon -Stahl -Versiegelungsmuttern sind eine Art Befestigungsart, die zum Anschließen von dünnen Platten oder Blechmetallen verwendet wird. Sie bestehen aus Kohlenstoffstahl, temperiert und gelöscht, um die Härte zu erhöhen, und die Oberfläche wird verzinkt oder auf andere Weise korrosionsresistent gemacht.
Die Versiegelungsmutter ist ziemlich einfach. So funktioniert es: Geben Sie zuerst die Mutter in ein vorgepacktes Loch und verwenden Sie dann einen Punch- und Sterbchen-Set, um Druck ausüben. Der Würfel drückt das Blech um den Clinchkragen der Nuss und bildet ein festes mechanisches Schloss in einem schnellen Schritt.
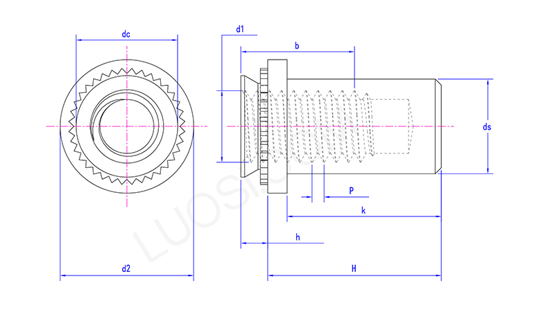
| Mon | M3-1 | M3-2 | M4-1 | M4-2 | M5-1 | M5-2 | M6-1 | M6-2 |
| P | 0.5 | 0.5 | 0.7 | 0.7 | 0.8 | 0.8 | 1 | 1 |
| DS Max | 3.84 | 3.84 | 5.2 | 5.2 | 6.35 | 6.35 | 8.75 | 8.75 |
| DC Max | 4.2 | 4.2 | 5.38 | 5.38 | 6.33 | 6.33 | 8.73 | 8.73 |
| B min | 5.3 | 5.3 | 7.1 | 7.1 | 7.1 | 7.1 | 7.8 | 7.8 |
| H Max | 0.91 | 1.38 | 0.97 | 1.38 | 0.97 | 1.38 | 1.38 | 1.38 |
| H Max | 9.85 | 9.85 | 11.45 | 11.45 | 11.45 | 11.45 | 14.55 | 14.55 |
| H min | 9.35 | 9.35 | 10.95 | 10.95 | 10.95 | 10.95 | 14.05 | 14.05 |
| K Max | 8.5 | 8.5 | 9.8 | 9.8 | 9.8 | 9.8 | 12.7 | 12.7 |
| D2 Max | 6.6 | 6.6 | 8.2 | 8.2 | 9 | 9 | 11.35 | 11.35 |
| D2 min | 6.1 | 6.1 | 7.7 | 7.7 | 8.5 | 8.5 | 10.85 | 10.85 |
| D1 | M3 | M3 | M4 | M4 | M5 | M5 | M6 | M6 |
Clinching-Muttern der Kohlenstoffstahlversiegelung werden durch wichtige Messungen definiert: Gewindegröße (wie M4, M5, M6 oder 1/4 "-20), ein Klelgerchelldurchmesser, die Gesamthöhe, die Abmessungen der Abdichtung der Waschmaschine und der Blechdicke, mit dem sie arbeiten (sowohl min als auch max). Sie können sie in Standard- oder Imperial-Fäden erhalten.
Ihre Clinchstärke (wie gut sie sich widersetzen, dass sie herausgedrängt oder verdreht werden) wird gegen Branchenstandards getestet (denken Sie an ISO, DIN, IFI). Die richtige Größe zu auswählen ist eine große Sache. Es stellt sicher, dass das Siegel hält und die Mutter stark genug für den Job ist.
Um die Carbon -Stahlversiegelungsmutter zu installieren, benötigen Sie ein spezielles Clinching -Tool und die Würfel -Set, das genau der Größe der Mutter entspricht. Geben Sie zuerst die Mutter in ein vorgepacktes Loch im Blech. Anschließend wendet das Werkzeug einen kontrollierten Druck aus, wodurch der Pilot- und Knurl -Nuss in das umgebende Metall sinkt. Dieser kaltbildende Prozess sperrt die Edelstahlmutter für immer ein und gleichzeitig quetscht sie die eingebaute Versiegelungswaschmaschine gegen das Panel. So schafft es die durchlaufdichtes Siegel, das diese Muttern einzigartig macht.
